Home

Interessen

Versteckte und vergessene Objekte

DDR-Funktechnik

DDR-Alarmtechnik

Amateurfunk

Links

 

 

 

 

 

 

 

 

 

Impressum

 

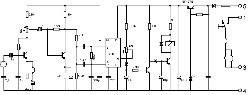
Körperschallmelder AK 1

Der Körperschallmelder dient zur Absicherung von Blech- und Stahltüren, Tresoren und anderen metallischen Sicherheitseinrichtung. Im Gegensatz zu Erschütterungsmeldern auf Basis von "Flatterkontakten" arbeitet er nach dem Prinzip des Körperschall-Mikrofons und spricht somit auch auf Geräusche an, die beim Trennschleifen oder Brennschneiden entstehen.

Der Körperschallmelder ist in ein Gehäuse aus Alu-Druckguss eingebaut, welches einen Schutz gegen mechanische Einwirkungen und Feuchtigkeit gewährleistet. Der Deckel wird durch einen Kontakt gegen unbefugtes Öffnen überwacht. Als Sensor dient ein Piezo-Element, welches einerseits am Gehäuse befestigt ist, anderseits mit einem metallischen Masse-Ring abgestützt ist.

Stromlaufplan: